Online od 2006 roku – Sprawdzona jakość
Ponad 100.000 produktów – Szeroki asortyment
Dostawa z własnego magazynu – Szybka wysyłka
Uczciwe ceny – Doskonały stosunek ceny do jakości

Effect Holzrahmen Profil Top Pro weiß 13x18 cm mit Antireflexglas

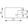
Massivholzrahmen mit sichtbarer Struktur, kantiges Profil 2,5 cm, 6-fach lackiert weiß nach EU-Richtlinien, Antireflexglas, Rückwand mit Aufsteller – hinstellen oder hinhängen geeignet
Kolor 
Rodzaj szkła 
Rozmiar 

20,03 €
w tym. faktura VAT , plus Koszty wysyłki