Online od 2006 roku – Sprawdzona jakość
Ponad 100.000 produktów – Szeroki asortyment
Dostawa z własnego magazynu – Szybka wysyłka
Uczciwe ceny – Doskonały stosunek ceny do jakości

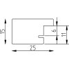
Effect Holzrahmen Profil Top Pro natur 20x20 cm mit Antireflexglas

Massiver Holzrahmen mit sichtbarer Holzstruktur, kantiges Leistenprofil 2,5 cm, natur-Finish 6-fach lackiert, integriertes Antireflexglas, ideal für Wandmontage in Wohnräumen und Kunstsammlungen
Kolor 
Rodzaj szkła 
Rozmiar 

27,89 €
w tym. faktura VAT , plus Koszty wysyłki