Online od 2006 roku – Sprawdzona jakość
Ponad 100.000 produktów – Szeroki asortyment
Dostawa z własnego magazynu – Szybka wysyłka
Uczciwe ceny – Doskonały stosunek ceny do jakości

Effect Holzrahmen Profil Top Pro flieder 50x60 cm mit Antireflexglas

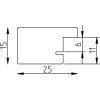
Massiver Holzrahmen mit sichtbarer Holzstruktur, kantiges Profil 2,5 cm, Fliederfarbe, 6-fache Lackierung nach EU-Richtlinien, Antireflexglas, wandaufhängbar
Kolor 
Rodzaj szkła 
Rozmiar 

78,86 €
w tym. faktura VAT , plus Koszty wysyłki