Online od 2006 roku – Sprawdzona jakość
Ponad 100.000 produktów – Szeroki asortyment
Dostawa z własnego magazynu – Szybka wysyłka
Uczciwe ceny – Doskonały stosunek ceny do jakości

Effect Holzrahmen Profil Top Pro gold 50x65 cm Antireflexglas

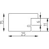
Hochwertiger massiver Holzrahmen mit goldfarbener Folie, kantig-schlichtes Profil 2,5 cm, Antireflexglas, Hoch- und Querformat geeignet, stilvoll für moderne und klassische Interieurs
Kolor 
Rodzaj szkła 
Rozmiar 

79,61 €
w tym. faktura VAT , plus Koszty wysyłki