Online od 2006 roku – Sprawdzona jakość
Ponad 100.000 produktów – Szeroki asortyment
Dostawa z własnego magazynu – Szybka wysyłka
Uczciwe ceny – Doskonały stosunek ceny do jakości

Effect Holzrahmen Profil Top Pro weiß 50x70 cm mit Antireflexglas

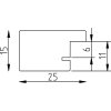
Hochwertiges massives Holzprofil mit sichtbarer Struktur, kantiges Design 2,5 cm, White-Finish, Antireflexglas, 6-fach lackiert nach EU-Richtlinien, Wandmontage geeignet für Wohn- und Büro-Räume
Kolor 
Rodzaj szkła 
Rozmiar 

91,14 €
w tym. faktura VAT , plus Koszty wysyłki