Online od 2006 roku – Sprawdzona jakość
Ponad 100.000 produktów – Szeroki asortyment
Dostawa z własnego magazynu – Szybka wysyłka
Uczciwe ceny – Doskonały stosunek ceny do jakości

Effect Holzrahmen Profil Top Pro schwarz 60x80 cm mit Antireflexglas

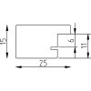
Massiver Holzrahmen mit sichtbarer Struktur, kantiges Leistenprofil 2,5 cm, EU-konform 6-fach lackiert schwarz, Antireflexglas, Wandmontage, ideal für moderne Wohnräume
Kolor 
Rodzaj szkła 
Rozmiar 

83,74 €
w tym. faktura VAT , plus Koszty wysyłki