Online od 2006 roku – Sprawdzona jakość
Ponad 100.000 produktów – Szeroki asortyment
Dostawa z własnego magazynu – Szybka wysyłka
Uczciwe ceny – Doskonały stosunek ceny do jakości

Effect Holzrahmen Profil Top Pro tannengrün 60x80 cm mit Antireflexglas

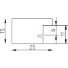
Massiver Holzrahmen mit sichtbarer Struktur und glatter Oberfläche, kantiges Leistenprofil 2,5 cm, Farbe tannengrün, 6-fach lackiert nach EU-Richtlinien, Antireflexglas zur Blendungsreduzierung
Kolor 
Rodzaj szkła 
Rozmiar 

83,28 €
w tym. faktura VAT , plus Koszty wysyłki