Online od 2006 roku – Sprawdzona jakość
Ponad 100.000 produktów – Szeroki asortyment
Dostawa z własnego magazynu – Szybka wysyłka
Uczciwe ceny – Doskonały stosunek ceny do jakości

Effect Holzrahmen Profil Top Pro schwarz 70x100 cm mit Antireflexglas

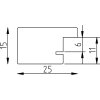
Massiver Holzrahmen mit sichtbarer Holzstruktur, kantiges Leistenprofil 2,5 cm, 6-fach lackiert nach EU-Richtlinie, integriertes Antireflexglas, ideal für Wandmontage von Bildern bis 70x100 cm
Kolor 
Rodzaj szkła 
Rozmiar 

148,77 €
w tym. faktura VAT , plus Koszty wysyłki