Online od 2006 roku – Sprawdzona jakość
Ponad 100.000 produktów – Szeroki asortyment
Dostawa z własnego magazynu – Szybka wysyłka
Bez kosztów wysyłki od 400 zł

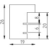
Rama drewniana effect Profil 58, jasnobrązowa, 35x50 cm z szkłem muzealnym

Rama drewniana jasnobrązowa, profil 58, 35x50 cm, szkło muzealne z ochroną UV 70%, drewno naturalne, sześciokrotnie pomalowana zgodnie z normami UE, głęboki blokowy profil 1,9 cm, elegancki wygląd, idealna do salonu, biura, galerii
Kolor 
Rodzaj Szkła 
Rozmiar Ramki 

531,49 zł
włącznie 23% VAT , plus wysyłka