Online od 2006 roku – Sprawdzona jakość
Ponad 100.000 produktów – Szeroki asortyment
Dostawa z własnego magazynu – Szybka wysyłka
Szybka i bezpieczna dostawa

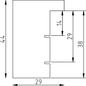
Lustrzana ściana Profil 55 biały 59,4x84,1 cm – efekt, elegancja i funkcjonalność

Ściana lustrzana Profil 55 biały, 59,4x84,1 cm, design krawędziowy, odbicia jasne, listwa 2,9 cm, malowanie czterokrotnie otwarte wodoodporne, wielofunkcyjne, łatwe montaż, uniwersalne do wnętrz.
Kolor 
Rozmiar 

144,40 €
włącznie VAT , plus wysyłka