Online od 2006 roku – Sprawdzona jakość
Ponad 100.000 produktów – Szeroki asortyment
Dostawa z własnego magazynu – Szybka wysyłka
Bez kosztów wysyłki od 400 zł

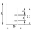
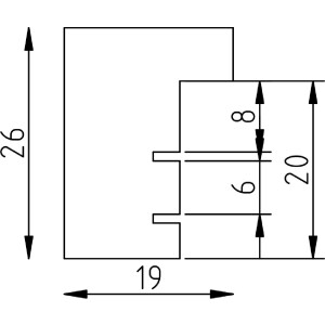
Rama drewniana Effect Profil 58, antik srebrny, 50x65 cm, szkło muzealne

Rama drewniana Effect Profil 58, antik srebrny, 50x65 cm, szkło muzealne z ochroną UV 70%, profil blokowy 1,9 cm, folia na listwie, wysoka jakość, elegancja, trwałość, idealna do zdjęć i dzieł sztuki
Kolor 
Rodzaj Szkła 
Rozmiar Ramki 

910,72 zł
włącznie 23% VAT , plus wysyłka