Online od 2006 roku – Sprawdzona jakość
Ponad 100.000 produktów – Szeroki asortyment
Dostawa z własnego magazynu – Szybka wysyłka
Bez kosztów wysyłki od 400 zł

Rama drewniana effect Profil 58, biała, 13x13 cm, z szkłem muzealnym

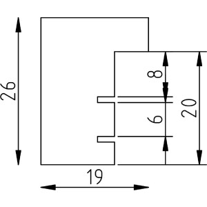
Rama drewniana Profil 58, biała, 13x13 cm, z szkłem muzealnym UV 70%, 6-krotnie lakierowana zgodnie z UE, głęboki profil 1,9 cm, do ustawienia na półce lub zawieszenia, idealna do prezentacji zdjęć i dzieł sztuki
Kolor 
Rodzaj Szkła 
Rozmiar Ramki 

132,10 zł
włącznie 23% VAT , plus wysyłka