Online od 2006 roku – Sprawdzona jakość
Ponad 100.000 produktów – Szeroki asortyment
Dostawa z własnego magazynu – Szybka wysyłka
Bez kosztów wysyłki od 400 zł

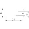
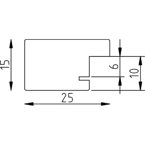
Rama drewniana Effect Profil 71, dąb, 60x90 cm, z szkłem muzealnym

Rama drewniana Effect Profil 71, dąb, 60x90 cm, szkło muzealne UV 70%, naturalny design, solidne drewno, idealna dla dużych dzieł, ciepły kolor, wyrafinowana dekoracja, wysoka jakość, kompatybilna z wnętrzami nowoczesnymi i klasycznymi
Rodzaj szkła 
Rozmiar 

1.605,11 zł
włącznie 23% VAT , plus wysyłka