Online od 2006 roku – Sprawdzona jakość
Ponad 100.000 produktów – Szeroki asortyment
Dostawa z własnego magazynu – Szybka wysyłka
Bez kosztów wysyłki od 400 zł

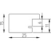
Ramka drewniana Effect Profil Top Pro, pomarańczowa, 25x60 cm, szkło muzealne

Ramka drewniana z widoczną strukturą, kolor pomarańczowy, profil 2,5 cm, szkło muzealne z UV 70%, lakier 6-warstwowy, montaż pionowo lub poziomo, idealna do eksponatów i zdjęć
Kolor 
Rodzaj szkła 
Rozmiar 

349,26 zł
włącznie 23% VAT , plus wysyłka