Online od 2006 roku – Sprawdzona jakość
Ponad 100.000 produktów – Szeroki asortyment
Dostawa z własnego magazynu – Szybka wysyłka
Szybka i bezpieczna dostawa

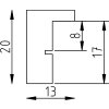
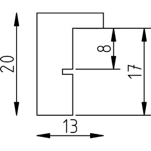
Ramka drewniana profil neonowo-czerwona 40x60 cm z szkłem muzealnym

Ramka drewniana 40x60 cm, neonowo-czerwony profil 1,3 cm, szkło muzealne z 70% ochroną UV, idealna do montażu na ścianie, prezentuje dzieła sztuki z zachowaniem barw, stylowa i trwała, odpowiednia do fotografii i designerów.
Kolor 
Rodzaj Szkła 
Format Ramy 

147,10 €
włącznie VAT , plus wysyłka