Online od 2006 roku – Sprawdzona jakość
Ponad 100.000 produktów – Szeroki asortyment
Dostawa z własnego magazynu – Szybka wysyłka
Bez kosztów wysyłki od 400 zł

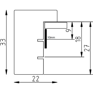
Ramka na zdjęcia z drewna dębowego 50x70 cm z szkłem akrylowym, Profil 54

ramka z drewna dębowego w profilu 54, szkło akrylowe, wstawa odstępową, wymiary 50x70 cm, styl landhaus i shabby-chic, idealna na zdjęcia, plakaty i lustra, trwała i elegancka
Kolor 
Rodzaj Szkła 
Rozmiar 

137,46 €
włącznie VAT , plus wysyłka