Online od 2006 roku – Sprawdzona jakość
Ponad 100.000 produktów – Szeroki asortyment
Dostawa z własnego magazynu – Szybka wysyłka
Szybka i bezpieczna dostawa

Ramka na zdjęcia z drewna dębowego Effect Profil 2430, 20x30 cm, z wylotem głębiowym i szkłem akrylowym

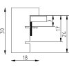
Ramka z drewna dębowego, szkło akrylowe, wylot głębiowy, design nowoczesny, do wiszenia pionowo i poziomo, szerokość listwy 1,8 cm, naturalny kolor i faktura, trwała prezentacja zdjęć, elegancka forma, stabilna do montażu.
Kolor 
Rodzaj szkła 
Format ramki 

47,20 €
włącznie VAT , plus wysyłka