Online od 2006 roku – Sprawdzona jakość
Ponad 100.000 produktów – Szeroki asortyment
Dostawa z własnego magazynu – Szybka wysyłka
Bez kosztów wysyłki od 400 zł

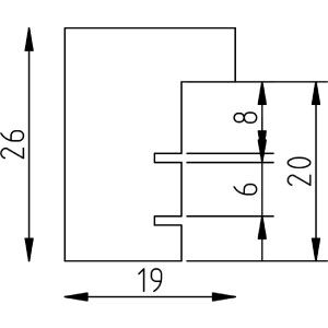
Ramka na zdjęcia z drewna Effect, profil 58, srebrna, 25x50 cm, szkło muzealne

Ramka z drewna naturalnego, profil 58, srebrna, 25x50 cm, z szkłem muzealnym, ochrona UV 70%, do zawieszania na ścianie, elegancki design, idealna do zdjęć i dzieł sztuki
Kolor 
Rodzaj Szkła 
Rozmiar Ramki 

340,38 zł
włącznie 23% VAT , plus wysyłka