Online od 2006 roku – Sprawdzona jakość
Ponad 100.000 produktów – Szeroki asortyment
Dostawa z własnego magazynu – Szybka wysyłka
Bez kosztów wysyłki od 400 zł

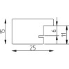
Ramka na zdjęcia z drewna Effect, profil Top Pro, jasnobrązowa, 59,4x84,1 cm, szkło akrylowe

Ramka z drewna jasnobrązowego z widoczną strukturą, profil Top Pro, 59,4x84,1 cm, szkło akrylowe, odporność na pęknięcia, warstwa antyrefleksyjna, ochrona UV, okleinowana sześciokrotnie, do montażu pionowo i poziomo, idealna do DIN A1, nowoczesny wygląd, trwałość koloru, przeznaczona do wnętrz i budynków publicznych
Kolor 
Rodzaj szkła 
Rozmiar 

130,69 €
włącznie VAT , plus wysyłka