Online od 2006 roku – Sprawdzona jakość
Ponad 100.000 produktów – Szeroki asortyment
Dostawa z własnego magazynu – Szybka wysyłka
Szybka i bezpieczna dostawa

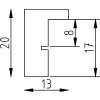
Ramka na zdjęcia z drewna neonowo-pomarańczowa 20x25 cm z szkłem akrylowym

Ramka z drewna naturalnego, neonowo-pomarańczowy profil, szkło akrylowe z antyrefleksją i ochroną UV, szerokość listwy 1,3 cm, idealna do montażu na ścianie, doskonała do wnętrz domowych i biurowych, format 20x25 cm, idealna do zdjęć, rysunków i druków
Kolor 
Rodzaj Szkła 
Format Ramy 

32,00 €
włącznie VAT , plus wysyłka