Online od 2006 roku – Sprawdzona jakość
Ponad 100.000 produktów – Szeroki asortyment
Dostawa z własnego magazynu – Szybka wysyłka
Szybka i bezpieczna dostawa

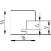
Ramka na zdjęcia z drewna Profil 51, antyk złoty, 35x50 cm

ramka z drewna naturalnego, profil 51, wykończenie antyk złoty, szkło antyrefleksyjne, wymiary 35x50 cm, zaokrąglone krawędzie, idealna do prezentacji zdjęć i sztuki, minimalistyczny i elegancki design, bez odbić światła, akcent wizualny na ścianie
Kolor 
Rodzaj Szkła 
Rozmiar Ramki 

72,80 €
włącznie VAT , plus wysyłka