Online od 2006 roku – Sprawdzona jakość
Ponad 100.000 produktów – Szeroki asortyment
Dostawa z własnego magazynu – Szybka wysyłka
Szybka i bezpieczna dostawa

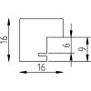
Ramka na zdjęcia z drewna Profil 51, antyk złoty 50x60 cm

Ramka z litego drewna profil 51, kolor antyk złoty, 50x60 cm, zaokrąglone krawędzie, wykończenie foliowe, szkło antyrefleksyjne, idealna do zawieszenia na ścianie, elegancka i nowoczesna
Kolor 
Rodzaj Szkła 
Rozmiar Ramki 

72,10 €
włącznie VAT , plus wysyłka