Online od 2006 roku – Sprawdzona jakość
Ponad 100.000 produktów – Szeroki asortyment
Dostawa z własnego magazynu – Szybka wysyłka
Bez kosztów wysyłki od 400 zł

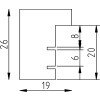
Ramka na zdjęcia z drewna, profil 58, biała, 62x93 cm z szkłem muzealnym

ramka z drewna naturalnego, profil blokowy 1,9 cm, lakierowana sześciokrotnie, szkło muzealne ochronne, idealna do zdjęć 62x93 cm, ochrona przed UV, elegancja i trwałość
Kolor 
Rodzaj Szkła 
Rozmiar Ramki 

1.477,45 zł
włącznie 23% VAT , plus wysyłka