Online od 2006 roku – Sprawdzona jakość
Ponad 100.000 produktów – Szeroki asortyment
Dostawa z własnego magazynu – Szybka wysyłka
Bez kosztów wysyłki od 400 zł

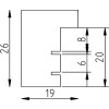
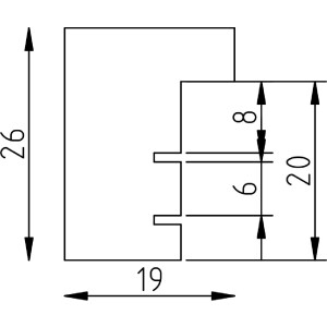
Ramka na zdjęcia z drewna Profil 58, jasnobrązowa, 10x15 cm, z szkłem muzealnym

Ramka z drewna naturalnego, jasnobrązowa, 10x15 cm, głęboki blokowy profil 1,9 cm, 6-warstwowa farba UE, szkło muzealne UV 70%, stojak i zawieszanie, elegancko prezentuje zdjęcia, trwałość i autentyczność.
Kolor 
Rodzaj Szkła 
Rozmiar Ramki 

111,11 zł
włącznie 23% VAT , plus wysyłka