Online od 2006 roku – Sprawdzona jakość
Ponad 100.000 produktów – Szeroki asortyment
Dostawa z własnego magazynu – Szybka wysyłka
Szybka i bezpieczna dostawa

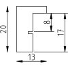
Ramka na zdjęcia z drewna, profil neonowo-różowy 7x10 cm, szkło antyrefleksowe

Ramka drewniana w profilu neonowo-różowym, szkło antyrefleksowe, format 7x10 cm, szerokość listwy 1,3 cm, tyl z podstawą do zawieszania lub ustawiania na powierzchni, idealna do zdjęć i dzieł sztuki, nowoczesny minimalistyczny design
Kolor 
Rodzaj Szkła 
Format Ramy 

22,00 €
włącznie VAT , plus wysyłka