Online od 2006 roku – Sprawdzona jakość
Ponad 100.000 produktów – Szeroki asortyment
Dostawa z własnego magazynu – Szybka wysyłka
Bez kosztów wysyłki od 400 zł

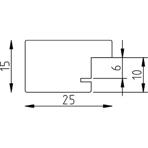
Ramka na zdjęcia z drewna sosnowego Profil 71, 30,5x91,5 cm, szkło muzealne

Ramka z drewna sosnowego, szersze listwy 2,5 cm, szkło muzealne UV 70%, idealna do ścian, nowoczesne i klasyczne wnętrza, ochrona przed uszkodzeniami, długotrwała wierność kolorów, elegancki design, doskonała dla dużych formatów.
Rodzaj szkła 
Rozmiar 

841,47 zł
włącznie 23% VAT , plus wysyłka